Part Numbers: 3086132
SKU: 3086132
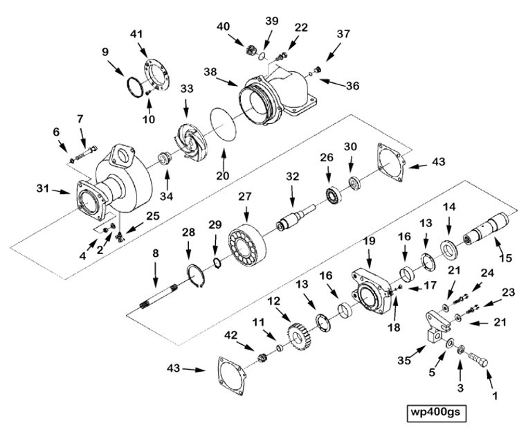
Category: Water Pump
High quality Cummins Water Pump Shaft replacement part.
SPECIFICATIONS: Hazardous Material Non-Hazardous (NOI ICE/Auto) Notes Recon Equivalent 3086132 RX Package Dimensions 7.5 x 7.5 x 5.0 in Weight 11.275 lb
Detailed Images: